• Die cast aluminum lens frame with tempered glass and double gasketing
  • Fully Shielded, Full Cutoff Optics
  • LED Light Engine life delivers 70% of rated lumens at 100,000-hours
View Technical Specs
Performance
Watts 20W
Color Temp 5000K (Cool)
Lumens 2,481 lm
Efficacy 100 lm/W
Color Accuracy 68 CRI
L70 Lifespan 100,000 Hours
Type Constant Current
120V 0.2A
208V 0.14A
240V 0.12A
277V 0.1A
Input Watts 24.8W
Dimensions
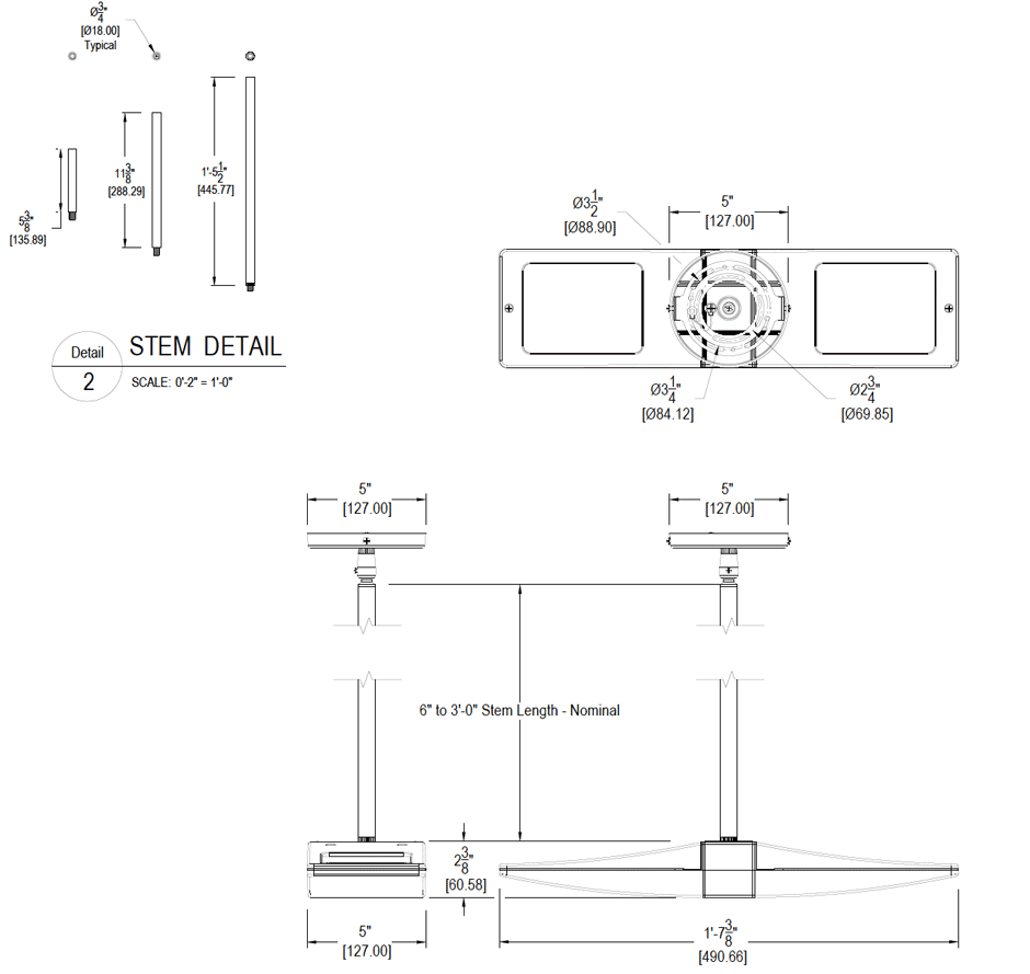
Link to Dimension Drawing

Weight: 7.1 lbs

Technical Specifications
Compliance
UL Listed
Suitable for damp locations
IESNA LM-79 & LM-80 Testing
RAB LED luminaires and LED components have been tested by an independent laboratory in accordance with IESNA LM-79 and LM-80.
Performance
Lifespan
100,000-Hour LED lifespan based on IESlm-80 results and TM-21 calculations
Wattage Equivalency
Equivalent to 32W CFL
Installation
Mounting
3 mounting stems included. 6", 12" and 18" can be combined to achieve a maximum length of 36". 42" of wire supplied. The pendants thread into a hang-straight, leveling the fixture. Pendant outside diameter is 3/4". Threads are 1/4". Circular canopy included.
LED Characteristics
Lumen Maintenance
The LED will deliver 70% of its initial lumens at 100,000 hours of operation
Color Consistency
7-step MacAdam Ellipse binning to achieve consistent fixture-to-fixture color
Color Stability
LED color temperature is warrantied to Shift no more than 200K in color temperature over a 5-year period
Color Uniformity
RAB's range of Correlated Color Temperature follows the guidelines of the American National Standard for Specifications for the Chromaticity of Solid State Lighting (SSL) Products, ANSI C78.377-2017.
Construction
Housing
Precision die-cast aluminum housing, lens frame
Finish
Formulated for high durability and long-lasting color
Green Technology
Mercury and UV free. RoHS-compliant components.
Cold Weather Starting
The minimum starting temperature is -40°F (-40°C)
Maximum Ambient Temperature
Suitable for use in up to 104°F (40°C)
Other
Patents
The design of the PLED is protected by U.S. Patent D608,040, D615,689 and patents pending in Canada, China, Taiwan and Mexico.
5-Year, No-Compromise Warranty
RAB warrants that our LED products will be free from defects in materials and workmanship for a period of five (5) years from the date of delivery to the end user, including coverage of light output, color stability, driver performance and fixture finish. RAB's warranty is subject to all terms and conditions found at rablighting.com/warranty.
Electrical
Driver
Multi-chip 2x10W high output long life LED Driver Constant Current, Class II, 120V-240V, 50/60 Hz, 400mA

Recently Viewed Products

 This is a link to the product RWLED3T105Y/D10 RWLED3T105Y/D10
Roadway Lights 11829 Lumens Type Iii 105W 3000K 120V-277V With Adaptor 0-10V Dimming Bronze
 This is a link to the product TOMO-4WM/LCB TOMO-4WM/LCB
Lightcloud Blue Tomo-Wm 4Ft 24/18/12W 3000K/3500K/4000K/5000K 0-10V
 This is a link to the product T8-7-24G-840-SD-BYP T8-7-24G-840-SD-BYP
T8 2Ft Coated Glass 7W 1000Lm 4000K Single/Double Type B
 This is a link to the product PAR38FA-13.5-9CCT-40D-DIM PAR38FA-13.5-9CCT-40D-DIM
Par38 5Cct Fa 40D 1200Lm 90Weq 120V Dim
 This is a link to the product ALED4T78Y/480/7PR ALED4T78Y/480/7PR
Arealights 9927 Lumens Aled Type Iv 8In Pole Arm 3000K 78W 480V 7-Pin Receptacle Bronze
 This is a link to the product FWAFER6B FWAFER6B
6" Fire Resistant Wafer 15W 5Cct Cri90 Baffle Round 120V
 This is a link to the product RWLED3T105Y/D10 RWLED3T105Y/D10
Roadway Lights 11829 Lumens Type Iii 105W 3000K 120V-277V With Adaptor 0-10V Dimming Bronze
 This is a link to the product TOMO-4WM/LCB TOMO-4WM/LCB
Lightcloud Blue Tomo-Wm 4Ft 24/18/12W 3000K/3500K/4000K/5000K 0-10V
 This is a link to the product T8-7-24G-840-SD-BYP T8-7-24G-840-SD-BYP
T8 2Ft Coated Glass 7W 1000Lm 4000K Single/Double Type B
 This is a link to the product PAR38FA-13.5-9CCT-40D-DIM PAR38FA-13.5-9CCT-40D-DIM
Par38 5Cct Fa 40D 1200Lm 90Weq 120V Dim
Link to Live Chat

Contact us

A RAB support representative will respond soon.

Send a message
Link to Lighting Design

Lighting Design

Our lighting designers can help you create a custom layout.

Request Lighting Layout
Link to DLC qualified products

DesignLights Consortium®

Find DLC qualified products.

Learn More
Link to Where to Buy

Where to Buy

Find a distributor or RAB Sales Representative.

Go to Locator